アメリカより日本人スタッフが丁寧に検品を行い発送しています。
2~4週間で発送 ※発送後約1週間でお届け(沖縄離島は除く)
説明書は英語表記です
ご返品不可の商品です
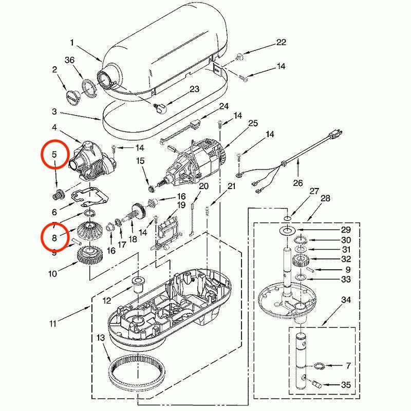
画像の5と8番のセットです ※その他パーツをご希望の場合もお調べできます お問い合わせください
アース付の「3ピン」は、もれなく変換プラグをお届けします。
片方が幅広の「2ピン」は、ご要望で変換プラグをお届けします。※ご注文時に備考欄へ記載
個人宅以外への配送となる場合は別途「輸入者の個人情報」が必須となります。※一部商品は除く
家電は日本国内の電源電圧100Vにて、いずれの周波数(50Hz/60Hz)でもそのままご利用いただけます。(アメリカの一般的な定格電圧は110~120Vです)
海外製品の性質上、パッケージ等の状態は商品ごとに異なり、入荷段階でダメージが見られる場合がございます。当店にて検品を行い、性能が損われていないと判断できる商品はパッケージ等を補修の上、発送となる可能性がございます。また、生産工場における検査内容によりコーヒーかすや水跡が残っている場合がございますが、商品は新品です。可能な限り良い状態でお届けできるよう努めております。あらかじめご理解ご了承くださいますようお願いいたします。
一部商品はアンケートのご回答により保証を延長いたします。
対象商品はオプションに「商品使用後、アンケートに回答して◯年保証」の項目がございます。延長保証をご希望の場合はオプションにてご選択の上、ご注文をお願いいたします。
商品発送から1か月後にメールにてアンケート回答用URLをご案内いたします。到着商品をご利用後、アンケートのご回答をお願いいたします。
当店にてご回答を確認後、保証書を発送させていただきます。発送には数日いただく場合がございます。予めご了承ください。